What an unusual and almost forgotten Chevrolet Truck option. Most 1964-66 truck enthusiasts have no idea this option was ever available.
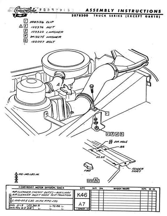
Paul Bremer of Seward, Nebraska recently discovered a 1964 Chevy ¾ ton in a back row of a salvage yard with the remnants of an option air filter. This was Paul’s first encounter with this option after over 30 years researching older salvage yards in the mid-west. He took the attached photos and then began looking through 45 year old Chevrolet option books. Two drawings were found in a Chevrolet truck assembly instructions manual. They show this extra air filter was a correct option on 1/2 through 2 ton trucks. The actual primary filter in the salvage yard had been lost but the piping remained.
An interesting discovery: This optional air filter attaches to and pulls air from the driver’s side inner top cowl. However, the photo from a different truck shows no opening for this special air filter. Possible the factory made the cut in the cowl when it was special ordered. This inlet must have reduced dust into the air intake system. The original air filter on top of the carburetor pulls in dust direct from the radiator fan air that adds more dusty air direct from the outside.
Therefore, did the dealer cut out the hole in the customer’s truck to install the heavy duty air filter or was it factory installed only?
With ideas contact Jim at: jcarter@oldchevytrucks.com








